传感器与检测技术模拟题
一.单项选择题
1.对压电式加速度传感器,希望其固有频率( )
A.接近零 B.尽量低些
C.尽量高些 D.任意
答案:C
2.( )传感器可用于医疗上-50℃~150℃之间的温度测量。
A.金属辐射式 B.热电偶
C.半导体三极管 D.比色计
答案:C
3.封装在光电隔离耦合器内部的是( )
A.一个发光二极管和一个发光三极管 B.一个光敏二极管和一个光敏三极管
C.两个发光二极管或两个光敏三极管 D.一个发光二极管和一个光敏三极管
答案:D
4.差动电桥由环境温度变化引起的误差为( )
A.
B. ![]()
C.
D.0
答案:D
5.概率密度函数提供了随机信号( )的信息。
A.沿频率轴分布 B.沿幅值域分布
C.沿时域分布 D.沿尺度分布
答案:B
6.非线性度是表示校准曲线( )的程度。
A.接近真值 B.偏离拟合直线
C.正反行程不重合 D.重复性
答案:B
7.非周期信号的频谱是( )
A.连续的 B.离散的
C.基频的整数倍 D.脉冲函数
答案:A
8.莫尔条纹光栅传感器的输出是( )
A.数字脉冲式 B.调幅式
C.调频式 D.正弦波
答案:A
9.半导体应变片具有( )等优点。
A.灵敏度高 B.温度稳定性好
C.可靠性高 D.接口电路复杂
答案:A
10.一阶系统的动态表征参数是( )
A.线性度 B.固有频率
C.阻尼比 D.时间常数
答案:D
11.常用于测量大位移的传感器有( )
A.感应同步器 B.应变电阻式
C.霍尔式 D.涡流式
答案:A
12.将电阻应变片贴在( )上,就可以分别做成测力、位移、加速度等参数的传感器。
A.质量块 B.导体
C.弹性元件 D.机器组件
答案:C
13.半导体热敏电阻率随着温度上升,电阻率( )
A.上升 B.迅速下降
C.保持不变 D.归零
答案:B
14.结构型传感器是依靠传感器( )的变化实现信号变换的。
A.材料物理特性 B.体积大小
C.结构参数 D.电阻值
答案:C
15.阻抗头是测量振动系统( )的拾振器。
A.振动位移 B.振动加速度
C.激振力 D.激振力及其响应
答案:D
16. 下列被测物理量中,适合使用电位器传感器进行测量的是( )
A. 位移 B. 温度 C. 湿度 D. 扭矩
答案:A
17. 传感器输出量的变化量∆Y与引起该变化的输入量变化量∆X之比称为( )。
A. 阈值 B. 分辨力 C. 灵敏度 D. 满量程输出
答案:C
18. 按输出信号的性质分类,应变式位移传感器是一种( )。
A. 模拟型位移传感器 B. 计数型位移传感器
C. 代码型位移传感器 D. 开关型位移传感器
答案:A
19. 电容式液位计属于( )
A. 容栅型电容式传感器 B. 改变介质型电容式传感器
C. 改变极距型电容式传感器 D. 改变极板面积型电容式传感器
答案:B
20. 下列传感器中,不适于静态位移测量的是( )
A. 压电式位移传感器 B. 电感式位移传感器
C. 涡流式位移传感器 D. 压电式位移传感器
答案:D
21. 某转轴上贴有一块磁钢,利用霍尔元件与转轴上的磁钢接近产生脉冲的方法测量轴的转速。若霍尔元件个数为4,传感器输出频率为60Hz,则轴的转速为( )。
A. 240rpm B. 900rpm C. 1800rpm D. 2400rpm
答案:B
22. 把几个同型号热电偶的同性电极参考端相并联,并将各热电偶的测量结处于不同位置,这种并联热电偶可用于测量 ( )
A. 多点的温度 B. 多点的最低温度
C. 多点的平均温度 D. 多点的最高温度
答案:C
23. 下列技术指标中,表达数/模转换器精度的是( )
A. 电源抑制比 B. 最小输出电压与最大输出电压之比
C. 最大输出电压与最小输出电压之比 D. 输出模拟电压的实际值与理想值之差
答案:D
24. 把电阻和电容串联,再并联到电源开关两端所构成的RC吸收电路,其作用为( )。
A. 克服串扰 B. 抑制共模噪声 C. 抑制差模噪声 D. 消除电火花干扰
答案:D
25. 下列有源滤波器,具有品质因数值越大,通带宽度越窄性质的滤波器是( )。
A. 带通滤波器 B. 带阻滤波器 C. 低通滤波器 D. 高通滤波器
答案:A
26. 由于热电光导摄像管的信号比可见光弱一个数量级,必须采用( )的前置放大器。
A. 信噪比高 B. 信噪比低 C. 稳定性低 D. 灵敏度很小
答案:A
27. 电桥测量电路的作用是把传感器的参数变化转为( )的输出。
A. 电阻 B. 电容 C. 电压 D. 电荷
答案:C
28.属于传感器动态特性指标的是( )
A.迟滞 B.过冲量
C.稳定性 D.线性度
答案:B
29.传感器能感知的输入变化量越小, 表示传感器的( )
A.线性度越好 B.迟滞越小
C.重复性越好 D.分辨力越高
答案:D
30.我国省、部一级计量站使用的一等标准测力机所允许的测量误差为( )
A.±0.1% B.±0.01%
C.±0.001% D.±0.0001%
答案:B
31.感应同步器的作用是测量( )
A.电压 B.电流
C.位移 D.相位差
答案:C
32.下列测力传感器中,属于发电型测力传感器的是( )
A.自感式传感器 B.磁电感应式传感器
C.电容式传感器 D.应变式传感器
答案:B
33.极对数为4的永磁式交流测速发电机,当其轴与转速为600(转/分)的被测轴相连接时,则其输出交变电动势的频率为( )
A.40Hz B.300Hz
C.600Hz D.2400Hz
答案:A
34.视觉传感器的扫描部的主作用是( )
A.聚成光学图像信号
B.将光学图像信号转换成电信号
C.将二维图像信号转换为时间序列一维信号
D.抽出有效信号
答案:C
35.热敏电阻式湿敏元件能够直接检测( )
A.温度 B.温度差
C.相对湿度 D.绝对湿度
答案:D
二.填空题
1.若随机信号x(t)、y(t)的均值都为零,当τ→∞时,它们的互相关函数Rxy(τ)=_______。
答案:0
2.红外图像传感器由红外敏感元件和_______电路组成。
答案:电子扫描
3.在电阻应变片公式,
=(1+2μ)ε+λEε中,λ代表_______。
答案:材料压阻系数
4.利用电涡流位移传感器测量转速时,被测轴齿盘的材料必须是_______。
答案:金属
5.当磁头相对于磁尺不动时,仍有感应电动势输出的是静态磁头,且输出电势的幅值由_______所决定。
答案:磁头所处的位置
6.动态标定的目的,是检验测试传感器的_______指标。
答案:动态性能
7.确定静态标定系统的关键是选用被测非电量(或电量)的标准信号发生器和_______。
答案:标准测试系统
8.传感器的频率响应特性,必须在所测信号频率范围内,保持_______条件。
答案:不失真测量
9.热电偶电动势由_ _电动势和接触电动势两部分组成。
答案:温度差
10.SnO2型半导体气敏器件非常适宜检测浓度较_______的微量气体。
答案:低
三、问答题
1.在静态测量中,根据测量系统输入量与对应输出值所绘制的定度曲线可以确定那些静态特性?
![]() |
2.设载波的中心频率为f0试根据图a、图b所示调制信号定性画出相应调频波波形。
3.回答下列函数哪些是周期函数、哪些是非周期函数:
x1(t)=sin3ωt,x2(t)=e-t,x3(t)=esinωt,x4(t)=δ(t), x5(t)=sin![]()
4.简述两类扭矩的测量原理及举例说明相应的扭矩传感器。
5.简述应变片在弹性元件上的布置原则,及哪几种电桥接法具有温度补偿作用。
6.涡流式传感器测量位移与其它位移传感器比较,其主要优点是什么?涡流传感器能否测量大位移量?为什么?
答案:
1.答:在静态测量中,根据绘制的定度曲线,可以确定测量系统的三个静态特性:灵敏度,非线性度,回程误差。
2.答:调频波波形频率f与中心频率f0和调制波幅值的关系f=f0±Δf,Δf为频率偏移,与X(t)幅值成正比。
![]() |
3.答:x1(t) x3(t) x5(t)周期函数,x2(t) x4(t)非周期函数。
4.答:1)轴类零件受扭矩作用时,在其表面产生切应变,可通过测量该应变检测扭矩,如电阻应变式扭矩传感器。
2)弹性转轴受扭后,两端面的相对转角只与所承受的扭矩有关,且呈比例关系,可通过测量扭转角测量扭矩,如电容式或光电式扭矩传感器。
5.答:布置原则有:
(1)贴在应变最敏感部位,使其灵敏度最佳;
(2)在复合载荷下测量,能消除相互干扰;
(3)考虑温度补偿作用;
单臂电桥无温度补偿作用,差动和全桥方式具有温度补偿作用。
6.答:优点:
能实现非接触测量,结构简单,不怕油等介质污染。
涡流传感器不能测量大位移量,只有当测量范围较小时,才能保证一定的线性度。
四、计算题
![]() |
1.已知测量齿轮齿数Z=18,采用变磁通感应式传感器测量工作轴转速(如图所示)。若测得输出电动势的交变频率为24(Hz),求:被测轴的转速n(r/min)为多少?当分辨误差为±1齿时,转速测量误差是多少?
2.由RC组成无源低通滤波器,已知R=500(Ω),C=10(μF),试求:
(1)截止频率f0,并画出该滤波器的幅频示意图。
(2)设输入信号x(t)=0.2cos
,判断其是否在该滤波器的通频带内。
3.试绘出x(t)=2cos(2πf0t)+3的时域图和频域图。
![]() | |
幅频示意图:
(2)周期信号x(t)的角频率ω=125.6
f1=![]()
信号x(t)的频率在该滤波器的通频带内。
3. 答:由于1
δ(f) 3
3δ(f)
又 2cos(2πf0t)
δ(f-f0)+δ(f+f0)
根据傅里叶变换的线性叠加原理:
2cos(2πf0t)+3
δ(f-f0)+3δ(f)+δ(f+f0)
![]() |
时域图见图a,频域图见图b
五、应用题
1.试用双螺管线圈差动型电感传感器做成一个测力传感器。
(1)用简图说明该传感器的结构,并简要说明其作用原理;
(2)用图说明两个线圈在电桥电路中的接法。
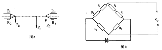
2.如图所示,轴工件用前后顶尖支承纵向磨削外园表面,在加工过程中,径向力Py和切向力Pz大小基本不变,但着力点位置沿轴向移动,现在前后顶尖上粘贴电阻应变片测量工件所受的Pz。
(1)在图中标明应变片的位置及Pz的测量电桥。
![]() ![]() |
(2)着力点移动对测量结果有无影响?为什么?
答案:
1.解:(1)传感器的结构如图a所示,它由传力块、弹性圆桶、双螺管线圈、衔铁、传感器座等几部分组成。
原理:被测力F通过传力块作用在弹性圆桶上,弹性圆桶的变形带动衔铁移动,使双螺管线圈的电感量发生变化,从而实现力的测量。
(2)电桥的接法如图b所示:
![]() |
2.解:(1)应变片(R1、R2、R3、R4)粘贴位置如图a所示;测量电桥如图b所示。
![]() |
(2)根据以上位置布片和电桥接法,着力点位置的变化不会影响Pz的大小,因为在顶尖上的分力Pz1、Pz2,Pz=Pz1+Pz2,由Pz1、Pz2引起的电阻R1、R3的变化值之和保持不变,故Pz的测量不受着力点的移动而改变。
距离报考时间
还有天
距离考试时间
还有天

官方微信二维码
手机端二维码